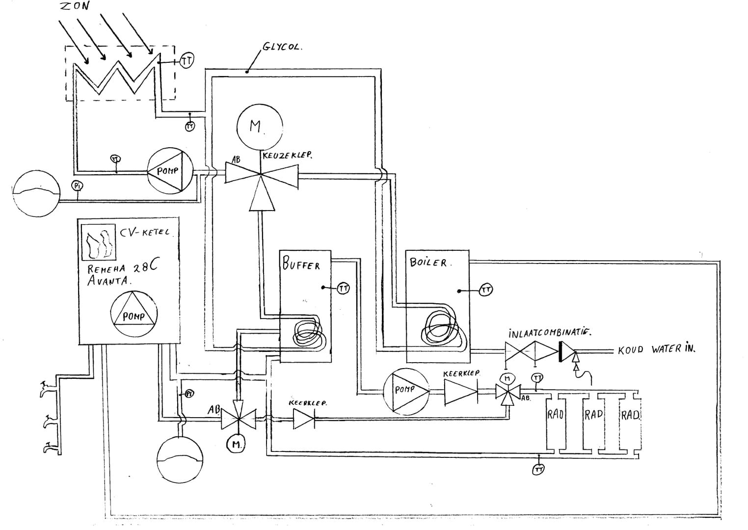
Centrale verwarming en warm water vroeger had iedereen standaard een solo cv ketel voor de centrale verwarming en een boiler of geiser voor warm water uit de kraan. Het lijkt mij dat je bij het verplaatsen van de ketel de pomp in de ketel niet los gehad hebt.
Cv Ketel Vlam Gaat Niet Aan Klusidee Nl
Cv ketel en warm water. Het getal daarachter geeft een klasse aan. Het eerste onderscheid dat je moet maken is de toepassing waarvoor je warm water nodig hebt. De cv ketel zorgt ervoor dat het water in de radiatoren warm wordt. Heb je enkel warm water nodig voor de verwarming dan helpt een cv ketel je daarmee uit de nood. De cw waarde staat voor de hoeveelheid warm water. De cv ketel zorgt voor verwarming en warm water in huis.
Een combiketel kan beide functies uitvoeren en daardoor is er dus maar één apparaat nodig. Alles wat rond de ketel aangesloten is tw. Cw staat voor comfort warmwater. Op basis van de gegevens hebben we niet direct een cv ketel kunnen vinden. Dat gebeurt door middel van een brander die de brandstof meestal is dat aardgas verbrandt. De cv ketel warmt het water op waarna het via leidingen door het huis verspreid wordt en de warmte in verschillende ruimtes afgegeven wordt.
Om ervoor te zorgen dat de warmte die vrijkomt bij het verbranden van het aardgas zo efficiënt mogelijk wordt afgegeven aan het water is een warmtewisselaar nodig. Comfortklasse rendement vermogen zijn enkele veelvoorkomende termen. Hoe hoger de cw waarde hoe meer warm water per minuut de ketel levert. Verwarming en warm water in één. De mate van warm water gebruik wordt bepaald met het label comfort warmwater te herkennen aan de afkorting cw. Een cv ketel heeft voor warm water een ecostand en een comfortstand.
Een combiketel is een combinatie tussen een geiser of boiler en een cv ketel. Er bestaan verschillende soorten cv ketels met andere eigenschappen. Ecostand voor warm water. Een cv ketel zorgt voor de verwarming van het huis en een geiser of boiler zorgt voor de verwarming van het water uit de kraan. In de comfortstand blijft de warmtewisselaar in de cv ketel op temperatuur waardoor je sneller warm water hebt. Bij het kopen van een cv ketel moet u kijken naar het vermogen in kw voor de verwarming van uw woning en de cw waarde voor de hoeveelheid warm water dat de ketel kan leveren.
Naast het rendement en het type van de combiketel is het belangrijk dat u bepaald welke ketel past bij uw warm waterverbruik. Maar er is echt wel een cv ketel voor jouw situatie. Aanvoer en retour cv warm en koud tapwater expansievat gas thermostaat 220v en de rookgas afaan voer. Hierdoor verbruikt de ketel ook meer gas. Tegenwoordig is het mogelijk om deze 2 systemen in 1 te hebben en kiezen de meeste nederlanders dan ook voor de combiketel. Cv staat voor centrale verwarming.
Als je ons even belt op 085 4012233 dan nemen we de situatie door en helpen we je verder. Door de ecostand te gebruiken kun je zon 10 tot 20 m3 gas per jaar sparen. Via de thermostaat kies je de juiste temperatuur de cv ketel doet de rest.















